LECTURE 6

ILLUSRATIVE PROBLEMS:

Let us discuss few representative problems dealing with complex state of stress to be solved either analytically or graphically.

PROB 1: A circular bar 40 mm diameter carries an axial tensile load of 105 kN. What is the Value of shear stress on the planes on which the normal stress has a value of 50 MN/m2 tensile.

Solution:

Tensile stress sy= F / A = 105 x 103 / p x (0.02)2

   = 83.55 MN/m2

Now the normal stress on an obliqe plane is given by the relation

s q = sysin2q

50 x 106 = 83.55 MN/m2 x 106sin2q

q = 50068'

The shear stress on the oblique plane is then given by

tq = 1/2 sysin2q

    = 1/2 x 83.55 x 106 x sin 101.36

    = 40.96 MN/m2

Therefore the required shear stress is 40.96 MN/m2

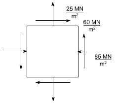
PROB 2:

For a given loading conditions the state of stress in the wall of a cylinder is expressed as follows:

(a)  85 MN/m2 tensile

(b)  25 MN/m2 tensile at right angles to (a)

(c)  Shear stresses of 60 MN/m2 on the planes on which the stresses (a) and (b) act; the sheer couple acting on planes carrying the 25 MN/m2 stress is clockwise in effect.

Calculate the principal stresses and the planes on which they act. What would be the effect on these results if owing to a change of loading (a) becomes compressive while stresses (b) and (c) remain unchanged

Solution:

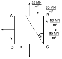
The problem may be attempted both analytically as well as graphically. Let us first obtain the analytical solution

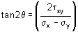
The principle stresses are given by the formula

For finding out the planes on which the principle stresses act us the equation

The solution of this equation will yeild two values q i.e they q1 and q2 giving q1= 31071' & q2= 121071'

(b) In this case only the loading (a) is changed i.e. its direction had been changed. While the other stresses remains unchanged hence now the block diagram becomes.

Again the principal stresses would be given by the equation.

Thus, the two principle stresses acting on the two mutually perpendicular planes i.e principle planes may be depicted on the element as shown below:

So this is the direction of one principle plane & the principle stresses acting on this would be s1 when is acting normal to this plane, now the direction of other principal plane would be 900 + q because the principal planes are the two mutually perpendicular plane, hence rotate the another plane q + 900 in the same direction to get the another plane, now complete the material element if q is negative that means we are measuring the angles in the opposite direction to the reference plane BC .

Therefore the direction of other principal planes would be {-q + 90} since the angle -q is always less in magnitude then 90 hence the quantity ( -q + 90 ) would be positive therefore the Inclination of other plane with reference plane would be positive therefore if just complete the Block. It would appear as

If we just want to measure the angles from the reference plane, than rotate this block through 1800 so as to have the following appearance.

So whenever one of the angles comes negative to get the positive value,

first Add 900 to the value and again add 900 as in this case q = -23074'

so q1 = -23074' + 900 = 66026'  .Again adding 900 also gives the direction of other principle planes

i.e q2 = 66026' + 900 = 156026'

This is how we can show the angular position of these planes clearly.

GRAPHICAL SOLUTION:

Mohr's Circle solution: The same solution can be obtained using the graphical solution i.e the Mohr's stress circle,for the first part, the block diagram becomes

Construct the graphical construction as per the steps given earlier.

Taking the measurements from the Mohr's stress circle, the various quantities computed are

s1 = 120 MN/m2 tensile

s2 = 10 MN/m2 compressive

q1 = 340 counter clockwise from BC

q2 = 340 + 90 = 1240 counter clockwise from BC

Part Second : The required configuration i.e the block diagram for this case is shown along with the stress circle.

By taking the measurements, the various quantites computed are given as

s1 = 56.5 MN/m2 tensile

s2 = 106 MN/m2 compressive

q1 = 66015' counter clockwise from BC

q2 = 156015' counter clockwise from BC

Salient points of Mohr's stress circle:

1.  complementary shear stresses (on planes 900 apart on the circle) are equal in magnitude

2.  The principal planes are orthogonal: points L and M are 1800 apart on the circle (900 apart in material)

3.  There are no shear stresses on principal planes: point L and M lie on normal stress axis.

4.  The planes of maximum shear are 450 from the principal points D and E are 900 , measured round the circle from points L and M.

5.  The maximum shear stresses are equal in magnitude and given by points D and E

6.  The normal stresses on the planes of maximum shear stress are equal i.e. points D and E both have normal stress co-ordinate which       is equal to the two principal stresses.

As we know that the circle represents all possible states of normal and shear stress on any plane through a stresses point in a material. Further we have seen that the co-ordinates of the point ‘Q' are seen to be the same as those derived from equilibrium of the element. i.e. the normal and shear stress components on any plane passing through the point can be found using Mohr's circle. Worthy of note:

1. The sides AB and BC of the element ABCD, which are 900 apart, are represented on the circle by and they are 1800 apart.

2. It has been shown that Mohr's circle represents all possible states at a point. Thus, it can be seen at a point. Thus, it, can be seen that two planes LP and PM, 1800 apart on the diagram and therefore 900 apart in the material, on which shear stress tq is zero. These planes are termed as principal planes and normal stresses acting on them are known as principal stresses.

Thus ,   s1 = OL

s2 = OM

3. The maximum shear stress in an element is given by the top and bottom points of the circle i.e by points J1 and J2 ,Thus the maximum shear stress would be equal to the radius of i.e. tmax= 1/2( s1- s2 ),the corresponding normal stress is obviously the distance OP = 1/2 ( sx+ sy ) , Further it can also be seen that the planes on which the shear stress is maximum are situated 900 from the principal planes ( on circle ), and 450 in the material.

4.The minimum normal stress is just as important as the maximum. The algebraic minimum stress could have a magnitude greater than that of the maximum principal stress if the state of stress were such that the centre of the circle is to the left of orgin.

i.e. if      s1 = 20 MN/m2 (say)

s2 = -80 MN/m2 (say)

Then tmaxm = ( s1 - s2 / 2 ) = 50 MN/m2

If should be noted that the principal stresses are considered a maximum or minimum mathematically e.g. a compressive or negative stress is less than a positive stress, irrespective or numerical value.

5. Since the stresses on perpendular faces of any element are given by the co-ordinates of two diametrically opposite points on the circle, thus, the sum of the two normal stresses for any and all orientations of the element is constant, i.e. Thus sum is an invariant for any particular state of stress.

Sum of the two normal stress components acting on mutually perpendicular planes at a point in a state of plane stress is not affected by the orientation of these planes.

This can be also understand from the circle Since AB and BC are diametrically opposite thus, what ever may be their orientation, they will always lie on the diametre or we can say that their sum won't change, it can also be seen from analytical relations

We know

on plane BC; q = 0

sn1 = sx

on plane AB; q = 2700

sn2 = sy 

Thus sn1 + sn2= sx+ sy 

6. If s1 = s2, the Mohr's stress circle degenerates into a point and no shearing stresses are developed on xy plane.

7. If sx+ sy= 0, then the center of Mohr's circle coincides with the origin of s - t co-ordinates.

Goto Home